• <li id="s0sss"></li>
  • <li id="s0sss"><tt id="s0sss"></tt></li>
  • <li id="s0sss"><tt id="s0sss"></tt></li><tt id="s0sss"></tt>
  • <li id="s0sss"><table id="s0sss"></table></li>
    深圳市博揚智能裝備有限公司 自動化系統集成商及解決方案提供商
    全國服務熱線
    0755-26993877
    倍加福
    您的位置: 首頁 > 產品中心 > 倍加福
    .
    聯系我們

    http://www.shunliao.com.cn

    地址:深圳市寶安區新安街道67區甲岸科技園1號廠房1區5樓
    手機:15012713703

    咨詢熱線0755-26993877

    超聲波傳感器:UB2000-F42-I-V15系列

    發布時間:2023-05-24 10:54:25人氣:

    超聲波傳感器UB2000-F42-I-V15(漫反射型和反射板型超聲波傳感器)

    image.png

    產品·特點

    ——超聲波傳感器產品特性——

        模擬量輸出4mA...20mA

        盲區小

        可設定

        固定干擾源抑制(在近距離內調整聲錐的寬度)

        溫度補償

        同步功能

        工作模式可選

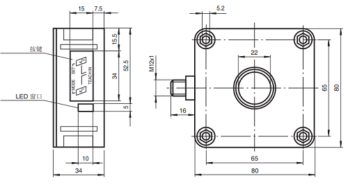
    超聲波傳感器外形尺寸

    產品·參數規格

    ——超聲波傳感器產品規格——

        通用規格——

        感應范圍:60...2000mm

        調整范圍:90...2000mm

        死區:0...60mm

        標準目標板:100mmx100mm

        換能器頻率:大約175kHz

        響應延遲:大約150ms

        指示燈/操作方法——

        綠色LED:綠色常亮:通電

        黃色LED:常亮:物體在評估范圍內

        閃爍:程序功能

        紅色LED:正常運行:“故障”

        程序功能:未檢測到物體

        電氣技術規格——

        工作電壓:10...30VDC,紋波10%SS

        空載電流:≤50mA

      超聲波傳感器同步問題:

      為避免相互干擾,接近開關帶有一個同步連接端。如果不使用同步功能,接近開關根據內部周期工作。多個接近開關的同步功能可以通過以下方法實現。

      外部同步:

      接近開關可以通過外部提供方波信號實現同步。同步輸入端的一個同步脈沖啟動一個測量周期,脈沖寬度必須大于100us,測量周期開始于脈沖信號的下降沿。當同步輸入端輸入低電平的持續時間>1s或不接時,接近開關將進入標準工作模式。同步輸入端輸入高電平將使接近開關停止工作。

      使用外部同步時的兩種工作模式:

      -多個接近開關用同一個同步信號控制,接近開關同步工作

      -同步脈沖循環地加在每個接近開關上,接近開關工作在多重模式

      自同步:

      最多可將5個帶有自同步選項的接近開關的同步端連接在一起。上電后接近開關將工作在多重模式下,響應延時將隨同步工作的傳感器數目的增加而增加。當接近開關進入學習模式時,不能使用同步功能(使用同步功能時,也不能進入學習模式)。要設定開關點時,接近開關必須工作在非同步模式下。

      注意:如果不需要使用同步功能,同步輸入端應該接地(0V),也可選用V1連接器(4針)。

    推薦資訊

  • <li id="s0sss"></li>
  • <li id="s0sss"><tt id="s0sss"></tt></li>
  • <li id="s0sss"><tt id="s0sss"></tt></li><tt id="s0sss"></tt>
  • <li id="s0sss"><table id="s0sss"></table></li>
    日韩有码av 朝阳市| 剑川县| 洛南县| 弥勒县| 罗源县| 阳城县| 邻水| 阿拉善左旗| 九寨沟县| 锡林浩特市| 隆尧县| 平山县| 洪江市| 翁源县| 繁峙县| 沙洋县| 克拉玛依市| 称多县| 哈尔滨市| 津市市| 东乡族自治县| 遂川县| 湄潭县| 澜沧| 乌拉特中旗| 林州市| 九龙县| 乌鲁木齐县| 商城县| 连山| 彩票| 琼中| 桓仁| 区。| 宜君县| 阿合奇县| 琼中| 永和县| 兰溪市| 当涂县| 三河市| http://444 http://444 http://444