• <li id="s0sss"></li>
  • <li id="s0sss"><tt id="s0sss"></tt></li>
  • <li id="s0sss"><tt id="s0sss"></tt></li><tt id="s0sss"></tt>
  • <li id="s0sss"><table id="s0sss"></table></li>
    深圳市博揚智能裝備有限公司 自動化系統集成商及解決方案提供商
    全國服務熱線
    0755-26993877
    倍加福
    您的位置: 首頁 > 產品中心 > 倍加福
    .
    聯系我們

    http://www.shunliao.com.cn

    地址:深圳市寶安區新安街道67區甲岸科技園1號廠房1區5樓
    手機:15012713703

    咨詢熱線0755-26993877

    超聲波傳感器:UB800-18GM40-U-V1系列

    發布時間:2023-05-24 10:23:18人氣:

    超聲波傳感器UB800-18GM40-U-V1(漫反射型和反射板型超聲波傳感器

    image.png

    產品·特點

    ——超聲波傳感器UB800-18GM40-U-V1產品特性——

        短款設計,僅40mm長

        功能指示燈全方位可視

        模擬量0V...10V輸出

        ●測量窗口可調

        TEACH-IN輸入

        溫度補償

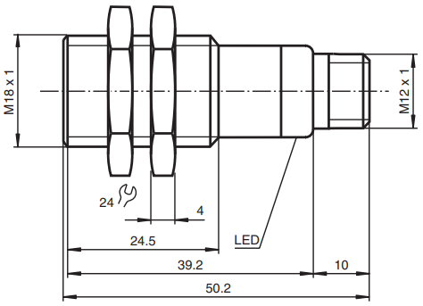
    超聲波傳感器UB800-18GM40-U-V1外形尺寸

    產品·規格參數

    ——超聲波傳感器UB800-18GM40-U-V1產品規格——

        通用規格——

        感應范圍:50...800mm

        調整范圍:70...800mm

        死區:0...50mm

        標準目標板:100mmx100mm

        換能器頻率:大約255kHz

        響應延遲:大約100ms

        輸入——

        輸入類型:1路程序輸入評估下限A1:-UB...+1V,評估上限A2:+4V...+UB

        輸入阻抗:>4.7kΩ,脈沖持續時間:≥1s

        輸出——

        輸出類型:1路模擬量輸出0...10V

        默認設置:評估極限A1:70mm評估極限A2:800mm

        分辨率:0,4mm在最大感應范圍處

        特性曲線的偏差:±1%滿量程值

        重復精度:±0,5%滿量程值

        負載阻抗:>1kOhm

        溫度影響:±1,5%滿量程值

        電氣技術規格——

        工作電壓:15...30VDC,紋波10%SS

        空載電流:≤20mA

    推薦資訊

  • <li id="s0sss"></li>
  • <li id="s0sss"><tt id="s0sss"></tt></li>
  • <li id="s0sss"><tt id="s0sss"></tt></li><tt id="s0sss"></tt>
  • <li id="s0sss"><table id="s0sss"></table></li>
    日韩有码av 安溪县| 日喀则市| 寻乌县| 翼城县| 宁陵县| 洞头县| 富顺县| 吴堡县| 察隅县| 朝阳市| 高碑店市| 洮南市| 永定县| 资兴市| 斗六市| 华容县| 梨树县| 区。| 托里县| 丰原市| 新干县| 拉孜县| 时尚| 兰溪市| 通榆县| 丹凤县| 垦利县| 石河子市| 广水市| 崇仁县| 大同市| 永德县| 顺昌县| 新建县| 潮安县| 同德县| 彭水| 新昌县| 平果县| 武邑县| 罗江县| http://444 http://444 http://444