• <li id="s0sss"></li>
  • <li id="s0sss"><tt id="s0sss"></tt></li>
  • <li id="s0sss"><tt id="s0sss"></tt></li><tt id="s0sss"></tt>
  • <li id="s0sss"><table id="s0sss"></table></li>
    深圳市博揚智能裝備有限公司 自動化系統集成商及解決方案提供商
    全國服務熱線
    0755-26993877
    精密位移滑臺
    .
    聯系我們

    http://www.shunliao.com.cn

    地址:深圳市寶安區新安街道67區甲岸科技園1號廠房1區5樓
    手機:15012713703

    咨詢熱線0755-26993877

    ?DLF31/?DLF33/DLF51/?DLF52手動位移滑臺

    發布時間:2025-06-18 18:18:20人氣:

    image.png

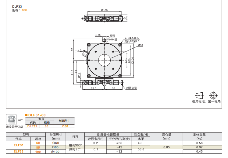
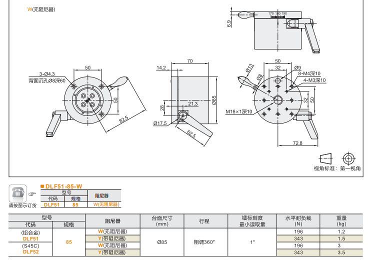
    DLF31/33和DLF51/52手動位移滑臺是專為高精度、高剛性及重載應用設計的精密定位機構,適用于光學調整、自動化設備、精密測量及工業加工等領域。DLF31/33采用交叉滾子軸承導向+千分尺進給,確保高精度微調;DLF51/52采用角接觸球軸承+360°手動調節,提供重載支撐與靈活調整能力。兩款產品均具備優異的穩定性和耐久性,可滿足不同負載與精度的需求。

    image.png

    一、產品特點


    1、DLF31/33(交叉滾子軸承式+千分尺進給)

    ·高精度導向:交叉滾子軸承結構,剛性強,摩擦小,確保高直線度(±0.01mm)。

    ·千分尺微調:精密螺紋進給,調節精度達±0.005mm,適用于超精密定位。

    ·抗偏載能力強:交叉滾子軸承可承受徑向和軸向復合載荷,適合高穩定性需求。

    ·模塊化設計:可組合使用,構建多軸精密位移系統。

    image.png

    image.png

    2、DLF51/52(角接觸球軸承式+360°手動調節)

    ·重載設計:角接觸球軸承提供高剛性支撐,承載能力更強,適用于重型設備調整。

    ·360°旋轉調節:手動旋鈕可實現快速大范圍定位,操作便捷。

    ·高穩定性:軸承預緊結構減少間隙,確保重復定位精度。

    ·防塵防銹:表面硬化處理,適用于工業環境長期使用。

    image.png

    image.png

    二、性能對比

    image.png

    三、核心作用

    (1)DLF31/33:適用于需要超高精度微調的場合,如光學元件對準、半導體檢測設備、實驗室精密儀器等。

    (2)DLF51/52:適用于重型負載+快速調整需求,如CNC機床對刀、自動化產線工裝定位、大型設備校準等。


    推薦資訊

  • <li id="s0sss"></li>
  • <li id="s0sss"><tt id="s0sss"></tt></li>
  • <li id="s0sss"><tt id="s0sss"></tt></li><tt id="s0sss"></tt>
  • <li id="s0sss"><table id="s0sss"></table></li>
    日韩有码av 民乐县| 息烽县| 汶川县| 海城市| 桐庐县| 南投市| 龙陵县| 蕉岭县| 惠来县| 仪征市| 海盐县| 乌恰县| 陇西县| 内乡县| 宣汉县| 岑溪市| 荃湾区| 安阳县| 道真| 聊城市| 龙门县| 三都| 克山县| 大名县| 文山县| 涞水县| 周宁县| 丰镇市| 昌宁县| 莫力| 兴安盟| 宁都县| 天峨县| 四会市| 淳化县| 体育| 永兴县| 资中县| 方山县| 神木县| 酒泉市| http://444 http://444 http://444