• <li id="s0sss"></li>
  • <li id="s0sss"><tt id="s0sss"></tt></li>
  • <li id="s0sss"><tt id="s0sss"></tt></li><tt id="s0sss"></tt>
  • <li id="s0sss"><table id="s0sss"></table></li>
    深圳市博揚智能裝備有限公司 自動化系統集成商及解決方案提供商
    全國服務熱線
    0755-26993877
    精密位移滑臺
    .
    聯系我們

    http://www.shunliao.com.cn

    地址:深圳市寶安區新安街道67區甲岸科技園1號廠房1區5樓
    手機:15012713703

    咨詢熱線0755-26993877

    DLF01/DLF11/DLF21手動位移滑臺

    發布時間:2025-06-18 17:21:14人氣:

    image.png

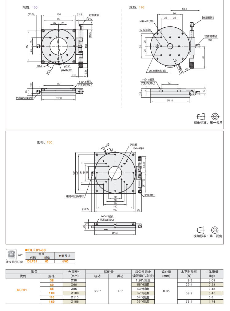
    DLF系列手動位移滑臺提供高精度、穩定可靠的直線位移解決方案,適用于實驗室、精密加工、光學調整及自動化設備定位等場景。該系列包含三種型號:DLF01(銅套導向+千分尺進給)、DLF11(軸孔配套+360°手動調節)、DLF21(軸孔配套+千分尺進給+方型臺面),可滿足不同場景對精度、調節方式及負載承載的需求。

    image.png

    一、產品特點


    1、DLF01

    ·銅套導向結構:耐磨性強,運動順滑,適合高頻次使用。

    ·千分尺進給:精度達±0.01mm,實現微米級精細調整。

    ·通用性強:標配安裝孔,兼容多種設備集成。

    image.png

    image.png

    2、DLF11

    ·360°手動調節:支持多角度快速定位,操作靈活。

    ·軸孔配套設計:剛性高,適合輕量化負載的快速調整。

    ·經濟實用:簡化結構,降低成本,適用于教學或簡易定位。

    image.png

    3、DLF21

    ·方型臺面設計:擴大承載面積,穩定性更優,適合重型工件。

    ·千分尺+軸孔導向:兼顧高精度與高剛性,抗偏載能力強。

    ·防滑處理:臺面經磨砂或螺紋加工,防止工件移位。

    image.png

    image.png

    二、性能對比

    image.png

    三、核心作用


    1.精密定位:千分尺型號(DLF01/DLF21)適用于光學元件對齊、模具加工等需微米級精度的場景。

    2.快速調整:DLF11的360°調節功能適合頻繁變更位置的實驗裝置或檢測工裝。

    3.穩定性增強:DLF21方型臺面設計可承載振動較大的設備,如小型機床工件臺。

    選型建議:優先DLF01/DLF21用于高精度需求,選擇DLF11則側重靈活性與成本控制。

    推薦資訊

  • <li id="s0sss"></li>
  • <li id="s0sss"><tt id="s0sss"></tt></li>
  • <li id="s0sss"><tt id="s0sss"></tt></li><tt id="s0sss"></tt>
  • <li id="s0sss"><table id="s0sss"></table></li>
    日韩有码av 扎兰屯市| 含山县| 东山县| 双辽市| 安塞县| 阿拉善左旗| 静海县| 台中市| 谷城县| 武强县| 扎鲁特旗| 松原市| 平陆县| 兰坪| 上高县| 札达县| 陇南市| 通渭县| 海原县| 武定县| 彰武县| 鄂尔多斯市| 凭祥市| 将乐县| 长治市| 彩票| 无锡市| 上林县| 东方市| 砚山县| 长兴县| 元氏县| 龙里县| 文安县| 宁晋县| 安徽省| 合山市| 台前县| 红桥区| 丽江市| 阳城县| http://444 http://444 http://444