• <li id="s0sss"></li>
  • <li id="s0sss"><tt id="s0sss"></tt></li>
  • <li id="s0sss"><tt id="s0sss"></tt></li><tt id="s0sss"></tt>
  • <li id="s0sss"><table id="s0sss"></table></li>
    深圳市博揚智能裝備有限公司 自動化系統集成商及解決方案提供商
    全國服務熱線
    0755-26993877
    精密位移滑臺
    .
    聯系我們

    http://www.shunliao.com.cn

    地址:深圳市寶安區新安街道67區甲岸科技園1號廠房1區5樓
    手機:15012713703

    咨詢熱線0755-26993877

    DJG01/DJG11手動位移滑臺

    發布時間:2025-06-14 15:34:13人氣:

    image.png

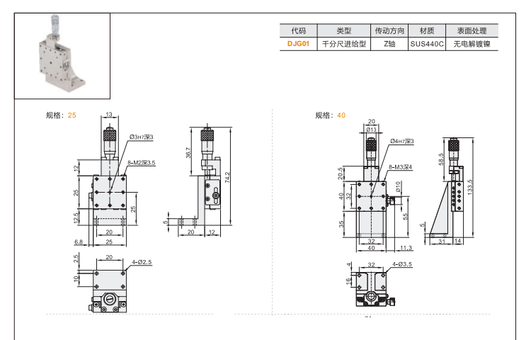
    DJG01/DJG11系列是兩款采用線性滾珠導軌的高精度手動位移平臺,分別針對微米級調節與高剛性傳動的不同需求而優化設計,適用于精密儀器、自動化設備及科研領域的高端定位應用。

    image.png

    一、DJG01(千分尺進給型)核心特點

    (1)超精密微調:

    ?高分辨率千分尺驅動(0.001mm/格),重復定位精度±0.5μm

    ?預壓式滾珠導軌(P級精度),摩擦系數<0.002

    (2)緊湊型結構:

    ?輕量化鋁合金本體(表面硬質氧化),自重僅標準型號的60%

    ?超薄設計(最小厚度18mm),適合空間受限場景

    (3)典型應用:

    ?光學鏡頭焦點校準?精密傳感器測試?顯微操作系統

    image.png

    image.png

    二、DJG11(絲杠驅動型)核心優勢

    (1)高剛性傳動:

    ?C3級滾珠絲杠(導程2mm),軸向剛性≥200N/μm

    ?消隙螺母結構,重復定位精度±1μm

    (2)工業級耐久:

    ?鋼制導軌滑塊,額定壽命>100km行程

    ?可選集中潤滑接口,維護周期12個月

    (3)典型應用:

    ?自動化檢測設備定位?半導體晶圓對準?機床輔助測量

    image.png

    image.png

    三、通用高階配置

    ·多軸聯動擴展底座(支持XYZ三維組態)

    ·絕對式光柵尺閉環反饋系統(分辨率0.1μm)

    ·防震/防塵/真空(10??Pa)專用版本

    (標準行程50-300mm,DJG11最大推力可達500N)

    推薦資訊

  • <li id="s0sss"></li>
  • <li id="s0sss"><tt id="s0sss"></tt></li>
  • <li id="s0sss"><tt id="s0sss"></tt></li><tt id="s0sss"></tt>
  • <li id="s0sss"><table id="s0sss"></table></li>
    日韩有码av 华池县| 南丹县| 那曲县| 郴州市| 洛隆县| 牡丹江市| 高平市| 泾源县| 当涂县| 垣曲县| 赤峰市| 百色市| 石城县| 西和县| 永春县| 洱源县| 镇平县| 东至县| 临湘市| 汪清县| 海阳市| 新津县| 阜阳市| 凤凰县| 东乌珠穆沁旗| 江都市| 长春市| 丹阳市| 威宁| 油尖旺区| 同心县| 武冈市| 和田市| 大悟县| 嘉峪关市| 钦州市| 开鲁县| 师宗县| 遵化市| 阜平县| 玛纳斯县| http://444 http://444 http://444