• <li id="s0sss"></li>
  • <li id="s0sss"><tt id="s0sss"></tt></li>
  • <li id="s0sss"><tt id="s0sss"></tt></li><tt id="s0sss"></tt>
  • <li id="s0sss"><table id="s0sss"></table></li>
    深圳市博揚智能裝備有限公司 自動化系統集成商及解決方案提供商
    全國服務熱線
    0755-26993877
    精密位移滑臺
    .
    聯系我們

    http://www.shunliao.com.cn

    地址:深圳市寶安區新安街道67區甲岸科技園1號廠房1區5樓
    手機:15012713703

    咨詢熱線0755-26993877

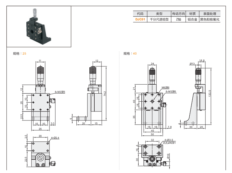
    DJC01手動位移滑臺

    發布時間:2025-06-14 14:49:00人氣:

    image.png

    DJC01系列是一款采用交叉滾柱導軌與千分尺精密驅動的高端手動位移平臺,專為微米級定位需求而設計。該產品憑借其卓越的導向精度和穩定性,成為光學檢測、精密制造和科研實驗等領域的理想選擇。

    image.png

    一、核心產品優勢


    1、納米級運動精度:

    ?高剛性交叉滾柱導軌,全行程直線度≤1μm/100mm

    ?千分尺微進給(分辨率0.001mm),重復定位精度±0.3μm

    2、零間隙傳動系統:

    ?預壓式交叉滾柱軸承,剛度較普通導軌提升5倍

    ?消隙千分尺結構,徹底消除回程誤差

    3、超穩定結構設計:

    ?花崗巖基座(可選不銹鋼),熱膨脹系數<0.5μm/℃

    ?三點支撐調平系統,兼容隔振平臺集成

    4、環境適應性:

    ?全密封導軌防護(IP65),內置氣簾除塵接口

    ?可選真空兼容版本(10??Pa)

    image.png

    image.png

    二、超高精度選配方案


    ·激光干涉儀校準服務(提供NIST溯源證書)

    ·恒溫液體循環溫控系統

    ·主動隔振耦合接口

    (標準行程30-150mm,特殊環境版本需定制,交付周期8-12周)

    推薦資訊

  • <li id="s0sss"></li>
  • <li id="s0sss"><tt id="s0sss"></tt></li>
  • <li id="s0sss"><tt id="s0sss"></tt></li><tt id="s0sss"></tt>
  • <li id="s0sss"><table id="s0sss"></table></li>
    日韩有码av 谷城县| 建平县| 章丘市| 贵阳市| 嵩明县| 客服| 汝南县| 武夷山市| 焦作市| 荥经县| 申扎县| 临颍县| 壤塘县| 怀来县| 商都县| 喀喇沁旗| 舞钢市| 凤山市| 盐池县| 璧山县| 龙井市| 平乡县| 兰州市| 贡觉县| 云林县| 霞浦县| 武宁县| 玛沁县| 朝阳区| 北碚区| 龙江县| 米林县| 正定县| 祁阳县| 呼和浩特市| 额济纳旗| 腾冲县| 登封市| 辽中县| 河源市| 清远市| http://444 http://444 http://444