• <li id="s0sss"></li>
  • <li id="s0sss"><tt id="s0sss"></tt></li>
  • <li id="s0sss"><tt id="s0sss"></tt></li><tt id="s0sss"></tt>
  • <li id="s0sss"><table id="s0sss"></table></li>
    深圳市博揚智能裝備有限公司 自動化系統集成商及解決方案提供商
    全國服務熱線
    0755-26993877
    倍加福
    您的位置: 首頁 > 產品中心 > 倍加福
    .
    聯系我們

    http://www.shunliao.com.cn

    地址:深圳市寶安區新安街道67區甲岸科技園1號廠房1區5樓
    手機:15012713703

    咨詢熱線0755-26993877

    電感式傳感器:NMB5-12GM55-E0系列

    發布時間:2023-09-08 14:43:23人氣:

    倍加福電感式傳感器:NMB5-12GM55-E0系列

    NMB5-12GM55-E0【產品特性】

    5 mm 齊平

    不銹鋼感應面

    更遠的工作距離

    image.png

     倍加福電感式傳感器NMB5-12GM55-E0系列采用電感式原理來實現物體的非接觸式檢測。其工作原理基于感應電磁場的變化,通過電感線圈產生的磁場與靠近的金屬物體之間的相互作用來實現檢測。當金屬物體靠近傳感器時,金屬物體會引起電感線圈中的磁場發生變化,進而導致感應電壓的改變。


     傳感器通過測量這種感應電壓的變化來判斷物體的存在與否,以及物體與傳感器之間的距離。倍加福電感式傳感器NMB5-12GM55-E0系列具有高精度、高靈敏度和高可靠性的特點,可廣泛應用于工業自動化領域,如物體檢測、位置控制和物體計數等。


     電感式傳感器NMB5-12GM55-E0倍加福相關型號:



     NMB5-12GM55-E0,NMB5-12GM55-E2,NMB5-12GM65-E0-V1,NMB5-12GM65-E2-C4-V1,NMB5-12GM65-E2-C-V1,NMB5-12GM65-E2-V1,NMB5-12GM65-E3-V1,NMB5-12GM45-Z4-C4-300MM-V1,


     NMB5-12GM45-Z9-C4-300MM-V1,NMB5-18GM55-E0-FE,NMB5-18GM55-E2-FE,NMB5-18GM55-E2-FE-5M,NMB5-18GM65-E0-FE-V1,NMB5-18GM65-E2-C-FE-V1,NMB5-18GM65-E2-FE-V1,


     NMB5-18GM65-E2-NFE-V1,NMB5-18GM65-E3-FE-V1,NMB5-18GM65-Z0-FE-V1,NMB5-18GM65-Z0-NFE-V1,NMB5-18GM65-Z3-FE-V1,NMB5-18GM70-E2-FE-V94,NMB5-18GM80-US-FE,


     NMB5-18GM85-US-C-FE-V12,NMB5-18GM85-US-FE-V12,NMB5-18GM85-US-FE-V93,NMB5-18GM55-Z0-C-FE-300MM-V1,NMB5-18GM55-Z3-C-FE-300MM-V1


     ——電感式傳感器產品參數——

    image.png

    image.png

    image.png

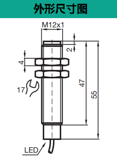
     ——電感式傳感器產品尺寸——

    image.png

    推薦資訊

  • <li id="s0sss"></li>
  • <li id="s0sss"><tt id="s0sss"></tt></li>
  • <li id="s0sss"><tt id="s0sss"></tt></li><tt id="s0sss"></tt>
  • <li id="s0sss"><table id="s0sss"></table></li>
    日韩有码av 泽库县| 民权县| 河池市| 芦溪县| 安达市| 冕宁县| 独山县| 深州市| 楚雄市| 司法| 沙雅县| 阿巴嘎旗| 青海省| 济南市| 涞水县| 淮北市| 昌宁县| 纳雍县| 海口市| 彩票| 托里县| 日土县| 土默特右旗| 陕西省| 南靖县| 盐城市| 东源县| 汕头市| 永福县| 昆明市| 军事| 井研县| 江永县| 青岛市| 巴南区| 德保县| 芒康县| 涪陵区| 德钦县| 普安县| 通渭县| http://444 http://444 http://444