倍加福槽型光電傳感器 GL5-J/28A/115
| 【線路連接】 |
![]() | |
| 【產品特性】 | |
●微型設計 ●為檢測小尺寸零件進行了優化 ●高開關頻率 ●簡單且快速的安裝 ●清晰可見的 LED 功能顯示 |
GL5-J/28A/115小型光電槽型傳感器體積小巧,光學性能出眾。滿足半導體工業微型物體的檢測需求。在同類產品中具有DC 5-24 V的寬電壓范圍和高達5 kHz的最快開關頻率。
內部集成的聚焦孔使傳感器能檢測尺寸為0.8 x 1.8 mm的微型物體。傳感器提供NPN或者PNP輸出。多樣且優化的外殼使傳感器最大程度地適用于擁擠環境中。
GL5-J/28A/115相關型號:
GL5-L/28a/115,GL5-L/28a/155,GL5-T/28a/115,GL5-T/28a/155,GL5-U/28a/115,GL5-Y/28a/115,GL5-U/28a/155,GL5-Y/28a/155
——槽型光電傳感器 GL5-J/28A/115 產品規格——

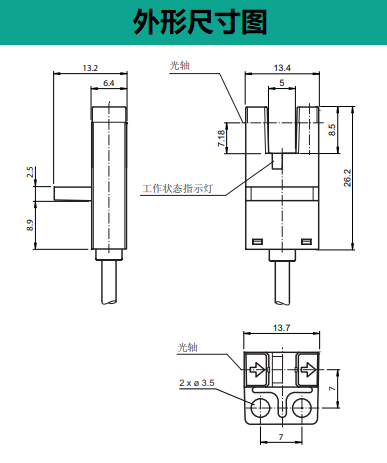
——槽型光電傳感器 GL5-J/28A/115 產品尺寸——

槽型光電傳感器GL5-J/28A/115是一種常用的光電傳感器,適用于各種自動化控制系統中的物體檢測和位置測量等應用。
以下是GL5-J/28A/115光電傳感器的一些常見應用場景:
1.物體檢測::用于檢測物體的存在與否,例如在自動化生產線上檢測產品是否到位或零件是否缺失。
2.位置測量::用于測量物體的位置,例如在機器人控制系統中,可以通過光電傳感器來確定機器人末端執行器的位置。
3.計數應用::用于計數物體的數量,例如在包裝行業中,可以使用光電傳感器來計數通過傳送帶的產品數量。
4.缺陷檢測::用于檢測物體表面的缺陷,例如在制造業中,可以使用光電傳感器來檢測產品表面是否有劃痕或破損。
5.自動門控制::用于控制自動門的開關,例如在商場或辦公樓中,可以使用光電傳感器來檢測人員的進出并自動開關門。
總之,GL5-J/28A/115光電傳感器具有廣泛的應用領域,可以在各種自動化控制系統中實現物體檢測、位置測量、計數、缺陷檢測和自動門控制等功能。



