• <li id="s0sss"></li>
  • <li id="s0sss"><tt id="s0sss"></tt></li>
  • <li id="s0sss"><tt id="s0sss"></tt></li><tt id="s0sss"></tt>
  • <li id="s0sss"><table id="s0sss"></table></li>
    深圳市博揚智能裝備有限公司 自動化系統集成商及解決方案提供商
    全國服務熱線
    0755-26993877
    倍加福
    您的位置: 首頁 > 產品中心 > 倍加福
    .
    聯系我們

    http://www.shunliao.com.cn

    地址:深圳市寶安區新安街道67區甲岸科技園1號廠房1區5樓
    手機:15012713703

    咨詢熱線0755-26993877

    電感式傳感器:NBN4-F29-E0系列

    發布時間:2023-05-25 15:41:13人氣:

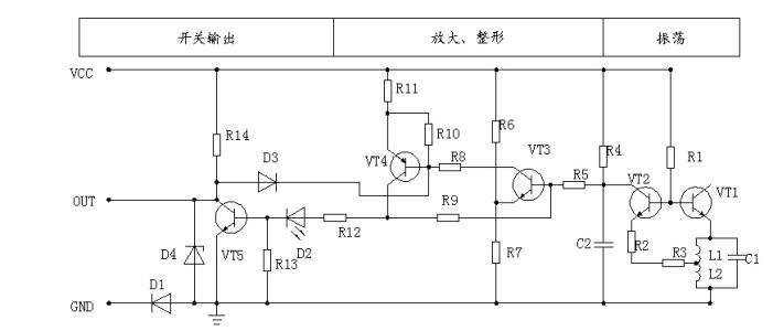
      電感式接近開關NBN4-F29-E0是一種用于非接觸式檢測金屬物體的低成本方法。當金屬物體移入或移出接近開關時,信號將自動改變以達到檢測目的。它的組成主要由三部分組成:放大輸出電路,開關電路和振蕩器。


    電感式接近開關NBN4-F29-E0有2大特點:(1)3線直流(2)4 mm非齊平安裝


    電感式接近開關NBN4-F29-E0的技術參數


      1、一般說明


      開關點功能:NPN常開


      額定動作距離sn:4 mm


      安裝:非齊平安裝


      輸出極性:DC


      可靠動作范圍sa:0...3.24 mm


      衰減系數rAI:0.4


      衰減系數rCu:0.3


      衰減系數rV2A:0.7


      2、額定等級


      工作電壓UB:10...30 V


      開關頻率f:0...1000 Hz


      遲滯H:典型值5%


      反極性保護:是


      短路保護:沒有


      電壓降Ud:≤3 V


      工作電流IL:0...100 mA


      漏電流Ir:0...0.5 mA典型值0.1μA在25oC時


      空載電流Io:≤10 mA


      開關狀態指示:黃色LED指示燈


      3、符合標準


      標準:IEC/EN 60947-5-2:2004


      4、周圍環境


      環境溫度:-25...70oC(248...343 K)


      5、機械特性


      接線形式:2 m,PVC電纜


      導線截面積:0.14 mm2


      外殼材料:PPS


      感應面:PPS


      防護等級:IP67


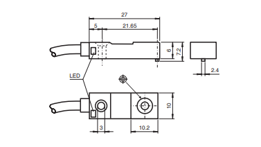
    電感式接近開關NBN4-F29-E0外形尺寸


    NBN4-F29-E0外形尺寸.png


    電感式接近開關工作原理


      電感式接近開關三大組成部分之一的振蕩器,會產生一個交變磁場。當金屬物接近這一磁場,并達到了感應距離的時候,并會在金屬目標內產生渦流,進而導致振蕩衰減,以至停振。振蕩器振蕩及停振的變化被后級放大電路處理并轉換成開關信號,觸發驅動控制器件,從而達到非接觸式之檢測目的。


    電感式接近開關的應用


      電感式接近開關能很好的使用于一般的行程控制,其使用壽命、定位精度、操作頻率、安裝調整的方便性,以及對惡劣環境的適用能力,是一般機械開關所不能比的。因此它能夠被廣泛地應用于輕紡、機床、印刷、冶金、化工等行業。


    電感式接近開關接線圖


    電感式接近開關接線圖.jpg

    推薦資訊

  • <li id="s0sss"></li>
  • <li id="s0sss"><tt id="s0sss"></tt></li>
  • <li id="s0sss"><tt id="s0sss"></tt></li><tt id="s0sss"></tt>
  • <li id="s0sss"><table id="s0sss"></table></li>
    日韩有码av 乌拉特中旗| 曲水县| 汝城县| 嘉兴市| 慈溪市| 定州市| 宿迁市| 长沙市| 阜城县| 射阳县| 老河口市| 师宗县| 梁河县| 乌鲁木齐县| 临洮县| 阿克陶县| 射阳县| 临夏县| 黑龙江省| 西林县| 铜梁县| 库尔勒市| 吴堡县| 太原市| 文化| 芦山县| 阳东县| 长沙县| 巴中市| 湖北省| 凤冈县| 彭泽县| 濮阳市| 武陟县| 胶南市| 五河县| 泰来县| 吉林省| 九龙县| 陵水| 文成县| http://444 http://444 http://444