• <li id="s0sss"></li>
  • <li id="s0sss"><tt id="s0sss"></tt></li>
  • <li id="s0sss"><tt id="s0sss"></tt></li><tt id="s0sss"></tt>
  • <li id="s0sss"><table id="s0sss"></table></li>
    深圳市博揚智能裝備有限公司 自動化系統集成商及解決方案提供商
    全國服務熱線
    0755-26993877
    倍加福
    您的位置: 首頁 > 產品中心 > 倍加福
    .
    聯系我們

    http://www.shunliao.com.cn

    地址:深圳市寶安區新安街道67區甲岸科技園1號廠房1區5樓
    手機:15012713703

    咨詢熱線0755-26993877

    超聲波傳感器:UB500-18GM75-I-V15系列

    發布時間:2023-05-24 15:01:54人氣:

    (漫反射型和反射板型超聲波傳感器)UB500-18GM75-I-V15

    image.png

    【產品功能描述】
    反射式超聲波傳感器UB500-18GM75-I-V15的工作原理與超聲波接近開關相同。聲音傳播測量確定傳感器到反射器或測量范圍內物體的距離。任何聲音反射的靜止物體都可以用作反射器。
    【附件產品】

    ·安裝附件:OMH-04

    ·安裝附件:BF5-30

    ·安裝附件:BF18

    ·安裝附件:BF18-

    ·編程附件:UB-PROG2

    ·導向板:UVW90-K18

    ·電纜連接器:V15-G-2M-PVC

    ·電纜連接器:V15-W-2M-PVC

    產品·特點

    ——三角測量傳感器 (BGS) OBT300-R100-2EP-IO-V31-L產品特性——

    模擬量輸出4mA...20mA

    測量窗口可調

    聲錐寬度可調

    TEACH-IN程序輸入

    同步功能

    接近開關關閉功能

    溫度補償

    盲區很小

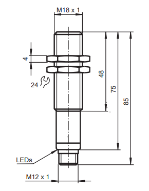
    外形尺寸圖

    產品·規格參數

    ——三角測量傳感器 (BGS) OBT300-R100-2EP-IO-V31-L產品性能——

    通用規格參數——

    ·檢測范圍:30...500mm

    ·調節范圍:50...500mm

    ·盲區:0...30mm

    ·標準目標板:100mmx100mm

    ·換能器頻率:約380kHz

    ·響應延時:約50ms

    工作方式——

    ·LED黃色:黃燈常亮:物體在檢測范圍內;黃燈閃爍:TEACH-IN狀態下檢測到目標物

    ·LED紅色:紅燈常亮:出錯;紅燈閃爍:TEACH-IN狀態下未檢測到目標物

    電氣參數——

    ·工作電壓:10...30VDC,紋波10%PP

    ·空載電流I0:≤45mA

    輸出——

    ·輸出類型:1個模擬量輸出4...20mA

    ·分辨率:最大檢測距離時0.13mm

    ·特性曲線偏差:滿量程值的±1%

    ·重復精度:滿量程值的±0.1%

    ·負載阻抗:0...300Ohm

    ·溫度漂移:滿量程值的±1.5%

    工作環境——

    ·環境溫度:-25...70oC(248...343K)

    ·儲存溫度:-40...85oC(233...358K)

    機械特性——

    ·防護等級:IP65

    ·連接方式:V15連接器(M12x1),5針

    ·外殼:黃銅鍍鎳

    ·換能器:環氧樹脂/空心玻璃球混合物;聚氨基甲酸酯泡沫體,外殼PBT

    ·重量:60克

    電氣連接圖

    安裝條件——

    如果接近開關安裝于環境溫度可能低于0°C的現場時,就必須使用安裝附件BF 18,BF 18-F或BF 5-30中的一種來固定。在使用鋼螺母將接近開關直接安裝在一個通孔的情況下,接近開關必須被固定在安裝螺紋的中央。如果一定要固定在安裝螺紋的前端,就必須使用帶定位環的塑料螺母(附件)。

    推薦資訊

  • <li id="s0sss"></li>
  • <li id="s0sss"><tt id="s0sss"></tt></li>
  • <li id="s0sss"><tt id="s0sss"></tt></li><tt id="s0sss"></tt>
  • <li id="s0sss"><table id="s0sss"></table></li>
    日韩有码av 鸡西市| 满城县| 宁南县| 台中县| 常宁市| 修武县| 潮州市| 比如县| 邹平县| 黎城县| 龙南县| 贡嘎县| 贡山| 宁武县| 抚宁县| 冀州市| 邛崃市| 疏勒县| 共和县| 壶关县| 阜南县| 盱眙县| 安康市| 清新县| 深圳市| 柘城县| 武邑县| 彩票| 柳州市| 开封市| 曲周县| 和林格尔县| 永顺县| 莱阳市| 邵阳县| 绥化市| 云阳县| 高淳县| 河间市| 达州市| 浑源县| http://444 http://444 http://444