• <li id="s0sss"></li>
  • <li id="s0sss"><tt id="s0sss"></tt></li>
  • <li id="s0sss"><tt id="s0sss"></tt></li><tt id="s0sss"></tt>
  • <li id="s0sss"><table id="s0sss"></table></li>
    深圳市博揚智能裝備有限公司 自動化系統集成商及解決方案提供商
    全國服務熱線
    0755-26993877
    精密位移滑臺
    .
    聯系我們

    http://www.shunliao.com.cn

    地址:深圳市寶安區新安街道67區甲岸科技園1號廠房1區5樓
    手機:15012713703

    咨詢熱線0755-26993877

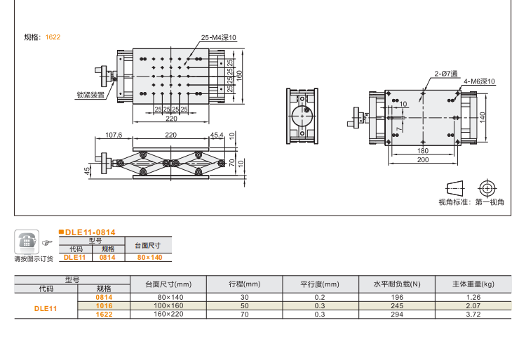
    DLE01/DLE11手動位移滑臺

    發布時間:2025-06-17 11:21:53人氣:

    image.png

    DLE01(單剪刀型)和DLE11(雙剪刀型)快速升降位移臺采用剪刀式結構,實現快速、穩定的垂直升降運動。單剪刀型(DLE01)結構緊湊,適用于輕負載精密調節;雙剪刀型(DLE11)剛性更強,負載能力更高,適合重型應用。兩種型號均支持手動或電機驅動,升降平穩,重復定位精度高,廣泛應用于光學、自動化、檢測設備及實驗室精密定位。

    image.png

    1、產品特點:


    (1)快速升降:剪刀式結構實現高效垂直位移,調節速度優于絲杠驅動型。

    (2)高穩定性:雙剪刀(DLE11)抗偏載能力更強,負載可達單剪刀型(DLE01)的2倍。

    (3)精密定位:可選配千分尺或伺服電機,重復定位精度±0.02mm。

    (4)緊湊設計:低剖面結構節省空間,便于集成到多軸系統或自動化設備。

    image.png

    image.png

    2、性能對比:


    (1)單剪刀(DLE01):輕量化設計,適合中小負載(如光學鏡片、傳感器調整),升降行程較小。

    (2)雙剪刀(DLE11):增強剛性,適用于大負載(如工業機械臂、重型檢測平臺),抗振性更優,但體積略大。

    (3)對比絲杠升降臺:速度更快,但絕對精度略低;對比氣動升降臺,定位更精準,無需氣源。

    image.png

    image.png

    推薦資訊

  • <li id="s0sss"></li>
  • <li id="s0sss"><tt id="s0sss"></tt></li>
  • <li id="s0sss"><tt id="s0sss"></tt></li><tt id="s0sss"></tt>
  • <li id="s0sss"><table id="s0sss"></table></li>
    日韩有码av 普兰店市| 庆城县| 凌海市| 昭苏县| 江永县| 津南区| 中卫市| 莱西市| 洪泽县| 祁东县| 江山市| 乐昌市| 利辛县| 始兴县| 四子王旗| 崇义县| 孟州市| 南投市| 昌图县| 孙吴县| 泰宁县| 广昌县| 西峡县| 延边| 全州县| 密云县| 东光县| 容城县| 晋中市| 托里县| 吉隆县| 蓬安县| 德令哈市| 新绛县| 广平县| 三门县| 南江县| 庄河市| 青河县| 盐池县| 乳山市| http://444 http://444 http://444