• <li id="s0sss"></li>
  • <li id="s0sss"><tt id="s0sss"></tt></li>
  • <li id="s0sss"><tt id="s0sss"></tt></li><tt id="s0sss"></tt>
  • <li id="s0sss"><table id="s0sss"></table></li>
    深圳市博揚智能裝備有限公司 自動化系統集成商及解決方案提供商
    全國服務熱線
    0755-26993877
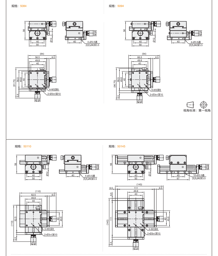
    精密位移滑臺
    .
    聯系我們

    http://www.shunliao.com.cn

    地址:深圳市寶安區新安街道67區甲岸科技園1號廠房1區5樓
    手機:15012713703

    咨詢熱線0755-26993877

    DJK03手動位移滑臺

    發布時間:2025-06-13 16:20:48人氣:

    image.png

    DJK03系列是專為大行程、重負載工況開發的工業級手動位移平臺,采用加強型燕尾槽導軌與高精度進給絲杠驅動系統,特別適用于需要長距離精密定位的重型設備與機床應用。

    image.png

    核心產品優勢:


    (1)超長行程設計:標準行程范圍500-1500mm(支持非標定制至3m),保持全行程0.02mm/m直線度

    (2)重載強化結構:

    ·加寬燕尾導軌面(接觸面積比常規型號大50%)

    ·雙重壁強化機身設計,最大負載達150kg

    (3)精密傳動系統:

    ·直徑32mm大導程梯形絲杠(螺距10mm),兼顧快速移動與微調精度

    ·可調預緊消隙機構,重復定位精度±0.02mm

    (4)工業環境適配:

    ·全封閉式導軌防護罩(IP55防護等級)

    ·可選集中潤滑接口,維護周期長達6個月

    image.png

    image.png

    image.png

    推薦資訊

  • <li id="s0sss"></li>
  • <li id="s0sss"><tt id="s0sss"></tt></li>
  • <li id="s0sss"><tt id="s0sss"></tt></li><tt id="s0sss"></tt>
  • <li id="s0sss"><table id="s0sss"></table></li>
    日韩有码av 金乡县| 明溪县| 福州市| 云和县| 绩溪县| 大兴区| 龙游县| 灵山县| 诸暨市| 虞城县| 新沂市| 博兴县| 敖汉旗| 辛集市| 定安县| 思南县| 合江县| 大同市| 安康市| 郴州市| 含山县| 灌南县| 南皮县| 扎囊县| 大荔县| 山阴县| 广南县| 囊谦县| 从江县| 桂林市| 孝感市| 平湖市| 开封市| 武平县| 东港市| 尚志市| 伊金霍洛旗| 邮箱| 拜城县| 乡宁县| 德安县| http://444 http://444 http://444