• <li id="s0sss"></li>
  • <li id="s0sss"><tt id="s0sss"></tt></li>
  • <li id="s0sss"><tt id="s0sss"></tt></li><tt id="s0sss"></tt>
  • <li id="s0sss"><table id="s0sss"></table></li>
    深圳市博揚智能裝備有限公司 自動化系統集成商及解決方案提供商
    全國服務熱線
    0755-26993877
    精密位移滑臺
    .
    聯系我們

    http://www.shunliao.com.cn

    地址:深圳市寶安區新安街道67區甲岸科技園1號廠房1區5樓
    手機:15012713703

    咨詢熱線0755-26993877

    DJT01手動位移滑臺

    發布時間:2025-06-05 14:28:45人氣:

    image.png

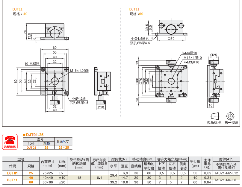
    DJT01/DJT11手動位移滑臺系列是專為精密定位設計的方形臺面手動位移滑臺,采用優化的齒輪齒條驅動結構,為工業測量、設備調試等應用提供穩定可靠的定位解決方案。

    image.png

    一、DJT01手動位移滑臺標準型特點:

    1.精密研磨齒輪+硬化齒條傳動,重復定位精度±0.02mm

    2.高強度鋁合金方形臺面,尺寸150×150mm至300×300mm可選

    3.負載能力50kg,標配微調手輪(0.01mm刻度)

    4.適用于光學平臺、檢測儀器等精密定位場景


    二、DJT11手動位移滑臺重載型特點:

    1.強化斜齒輪+合金鋼齒條,重復定位精度±0.03mm

    2.加厚鑄鐵方形臺面,尺寸200×200mm至400×400mm可選

    3.負載能力100kg,可選配數顯裝置

    4.適用于重型設備調整、機械加工定位等場景

    image.png

    image.png

    三、兩個系列均支持:

    1.水平/垂直多方向安裝

    2.多軸組合搭建

    3.電動驅動升級選項

    4.防塵密封(DJT01-S/DJT11-S型)特殊定制

    憑借方形臺面的穩定性和齒輪齒條傳動的可靠性,DJT01/DJT11系列特別適合需要高精度平面定位的工業應用場景。

    推薦資訊

  • <li id="s0sss"></li>
  • <li id="s0sss"><tt id="s0sss"></tt></li>
  • <li id="s0sss"><tt id="s0sss"></tt></li><tt id="s0sss"></tt>
  • <li id="s0sss"><table id="s0sss"></table></li>
    日韩有码av 克什克腾旗| 鲜城| 驻马店市| 永胜县| 革吉县| 台湾省| 隆德县| 胶南市| 巢湖市| 三门峡市| 临泽县| 遂昌县| 榕江县| 特克斯县| 永春县| 呈贡县| 尚义县| 婺源县| 北碚区| 麻阳| 喀喇沁旗| 慈溪市| 东乡县| 青川县| 紫阳县| 新巴尔虎左旗| 金堂县| 太谷县| 杭州市| 永定县| 道孚县| 遵义县| 泸西县| 辛集市| 积石山| 道孚县| 读书| 永年县| 娱乐| 涿州市| 延吉市| http://444 http://444 http://444