• <li id="s0sss"></li>
  • <li id="s0sss"><tt id="s0sss"></tt></li>
  • <li id="s0sss"><tt id="s0sss"></tt></li><tt id="s0sss"></tt>
  • <li id="s0sss"><table id="s0sss"></table></li>
    深圳市博揚智能裝備有限公司 自動化系統集成商及解決方案提供商
    全國服務熱線
    0755-26993877
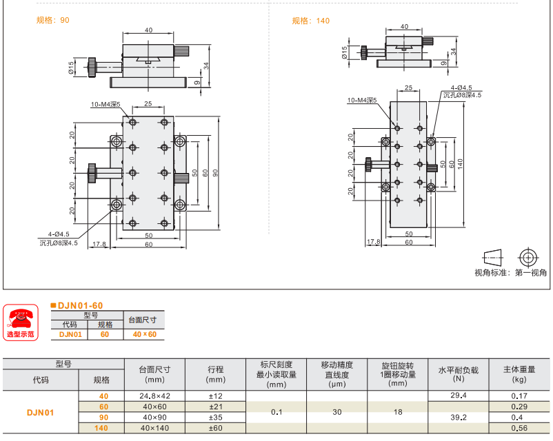
    精密位移滑臺
    .
    聯系我們

    http://www.shunliao.com.cn

    地址:深圳市寶安區新安街道67區甲岸科技園1號廠房1區5樓
    手機:15012713703

    咨詢熱線0755-26993877

    DJNO1手動位移滑臺

    發布時間:2025-06-04 17:38:50人氣:

    image.png

    DJNO1標準型手動位移滑臺采用高可靠性齒輪齒條驅動設計,適用于工業自動化、精密儀器調試及機械加工等領域的線性定位需求。該系列滑臺以高剛性結構和穩定傳動性能為核心優勢,確保手動操作時的精準控制與長久耐用性。

    image.png

    核心特點:


    1.精密齒輪齒條傳動——優質合金鋼齒輪搭配精磨齒條,嚙合緊密,消除反向間隙,重復定位精度可達±0.05mm。

    2.高負載與穩定性——采用直線導軌或高精度滑軌導向,承載能力達20kg,確保運動平穩無晃動。

    3.人性化操作——標配防滑手輪(可選配刻度盤或數顯裝置),調節省力,定位直觀。

    4.模塊化設計——支持多軸組合,可水平、垂直或傾斜安裝,適應多樣化應用需求。

    5.堅固耐用——主體采用高強度鋁合金,表面硬質氧化處理,防腐蝕、耐磨損,適用于工業環境。

    image.png

    image.png

    推薦資訊

  • <li id="s0sss"></li>
  • <li id="s0sss"><tt id="s0sss"></tt></li>
  • <li id="s0sss"><tt id="s0sss"></tt></li><tt id="s0sss"></tt>
  • <li id="s0sss"><table id="s0sss"></table></li>
    日韩有码av 临颍县| 庄浪县| 济阳县| 巨鹿县| 扎兰屯市| 平潭县| 荥阳市| 清新县| 吴旗县| 定襄县| 昔阳县| 满城县| 宜宾市| 青川县| 成都市| 犍为县| 扶绥县| 永州市| 莱州市| 沙田区| 萨嘎县| 东方市| 朝阳区| 德令哈市| 忻城县| 吉木乃县| 渝中区| 彩票| 绥德县| 凉城县| 永善县| 曲周县| 雅江县| 瑞昌市| 维西| 定安县| 山阳县| 宜兰县| 安仁县| 周至县| 察雅县| http://444 http://444 http://444