• <li id="s0sss"></li>
  • <li id="s0sss"><tt id="s0sss"></tt></li>
  • <li id="s0sss"><tt id="s0sss"></tt></li><tt id="s0sss"></tt>
  • <li id="s0sss"><table id="s0sss"></table></li>
    深圳市博揚智能裝備有限公司 自動化系統集成商及解決方案提供商
    全國服務熱線
    0755-26993877
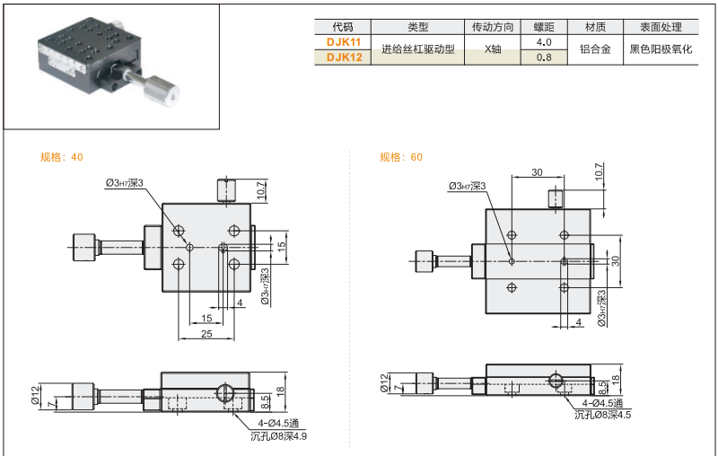
    精密位移滑臺
    .
    聯系我們

    http://www.shunliao.com.cn

    地址:深圳市寶安區新安街道67區甲岸科技園1號廠房1區5樓
    手機:15012713703

    咨詢熱線0755-26993877

    DJK11手動位移滑臺

    發布時間:2025-06-04 15:59:21人氣:

    image.png

    image.png

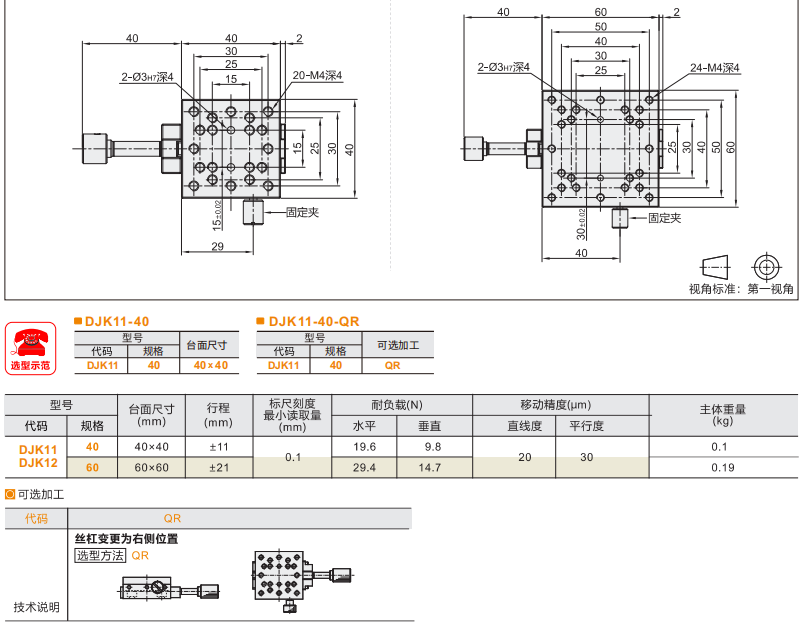
    DJK11/DJK12手動位移滑臺采用精密進給絲杠驅動,搭配高剛性線性導軌,確保平穩運行與微米級定位精度。DJK11為標準行程款,DJK12為加長行程款,適用于光學調整、精密檢測等場景。陽極氧化鋁合金主體輕量化設計,手動微調機構操作靈敏,兼具高負載能力與抗振性,滿足實驗室及工業級精密定位需求。

    image.png

    image.png

    推薦資訊

  • <li id="s0sss"></li>
  • <li id="s0sss"><tt id="s0sss"></tt></li>
  • <li id="s0sss"><tt id="s0sss"></tt></li><tt id="s0sss"></tt>
  • <li id="s0sss"><table id="s0sss"></table></li>
    日韩有码av 克什克腾旗| 蓝山县| 武胜县| 乌兰察布市| 钦州市| 额尔古纳市| 北京市| 绥宁县| 邢台市| 莱阳市| 兴文县| 壶关县| 陆丰市| 峨边| 靖边县| 朔州市| 正安县| 江城| 奉贤区| 兰溪市| 普宁市| 四子王旗| 溧阳市| 平昌县| 偏关县| 夏邑县| 自贡市| 汉中市| 苏尼特左旗| 马鞍山市| 中牟县| 松滋市| 嘉禾县| 金川县| 乌什县| 河间市| 佛教| 和田市| 理塘县| 德钦县| 雷波县| http://444 http://444 http://444