深圳市博揚智能裝備有限公司
自動化系統集成商及解決方案提供商
全國服務熱線
0755-26993877
網站首頁
新聞中心
新聞資訊
行業動態
博揚問答
博揚產品
行星減速機
一體式電磁閥
電磁換向閥
真空發生器
氣動調節閥
精密位移滑臺
精密輸送機
SMC系列產品
產品中心
直線電機
倍加福
藤倉
安沃馳
力士樂
科爾摩根
亞特蘭
派克
宜科
其它產品
服務案例
機電行業
新能源
電子元器件
醫療行業
激光切割
半導體
印刷包裝
汽車行業
博揚問答
服務支持
關于我們
公司簡介
研發證書
公司榮譽
企業文化
公司相冊
您的位置:
首頁
>
博揚產品
>
SMC系列產品
.
博揚產品
行星減速機
一體式電磁閥
電磁換向閥
真空發生器
氣動調節閥
精密位移滑臺
精密輸送機
SMC系列產品
推薦產品
直線電機
張力控制
直接驅動電機(DD馬達)
博揚組合閥
聯系我們
http://www.shunliao.com.cn
地址:深圳市寶安區新安街道67區甲岸科技園1號廠房1區5樓
手機:15012713703
咨詢熱線
0755-26993877
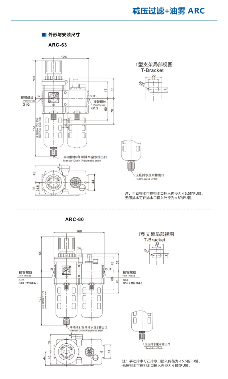
氣源處理器減壓過濾器ARC-53-1/4-05-E系列
發布時間:2024-08-15 15:49:57
人氣:
上一篇 : 氣動控制電磁閥閥島VT-14-S-I-Q6-U(VTG-S)系列
下一篇 : 氣動控制減壓過濾閥ARF-53-1/4-05-E(ARF)系列
推薦資訊
2025-12-02
鋼廠減速機重載沖擊下齒輪強度怎么強化?
2025-12-02
鋼廠減速機斷軸故障應急修復方案有哪些?
2025-12-02
鋼廠減速機耐磨損齒輪材質怎么選型?
2025-12-02
鋼廠減速機高溫工況下軸承壽命如何延長?
2025-12-02
非標減速機防粉塵密封方案怎么定制更耐用?
2025-11-29
非標減速機多齒輪組聯動如何平衡傳動效率?
2025-11-29
非標減速機異形輸出軸怎么保證連接精度?
2025-11-29
非標減速機模塊化設計能提升互換性嗎?
Copyright ? 深圳市博揚智能裝備有限公司 版權所有 地址:深圳市寶安區新安街道67區甲岸科技園1號廠房1區5樓 備案號:
粵ICP備15005785號
日韩有码av
靖安县
|
竹北市
|
同德县
|
庆云县
|
祥云县
|
若羌县
|
盐山县
|
屯留县
|
漯河市
|
胶州市
|
平阳县
|
枣庄市
|
大余县
|
勐海县
|
岢岚县
|
高陵县
|
襄汾县
|
泽库县
|
五原县
|
磐安县
|
洪泽县
|
仙游县
|
忻州市
|
霍城县
|
星子县
|
马尔康县
|
成武县
|
临沭县
|
丰城市
|
梓潼县
|
莲花县
|
仁寿县
|
潼关县
|
和平县
|
昭通市
|
津市市
|
布尔津县
|
句容市
|
雅安市
|
耒阳市
|
乃东县
|
http://444
http://444
http://444