深圳市博揚智能裝備有限公司
自動化系統集成商及解決方案提供商
全國服務熱線
0755-26993877
網站首頁
新聞中心
新聞資訊
行業動態
博揚問答
博揚產品
行星減速機
一體式電磁閥
電磁換向閥
真空發生器
氣動調節閥
精密位移滑臺
精密輸送機
SMC系列產品
產品中心
直線電機
倍加福
藤倉
安沃馳
力士樂
科爾摩根
亞特蘭
派克
宜科
其它產品
服務案例
機電行業
新能源
電子元器件
醫療行業
激光切割
半導體
印刷包裝
汽車行業
博揚問答
服務支持
關于我們
公司簡介
研發證書
公司榮譽
企業文化
公司相冊
您的位置:
首頁
>
博揚產品
>
SMC系列產品
.
博揚產品
行星減速機
一體式電磁閥
電磁換向閥
真空發生器
氣動調節閥
精密位移滑臺
精密輸送機
SMC系列產品
推薦產品
直線電機
張力控制
直接驅動電機(DD馬達)
博揚組合閥
聯系我們
http://www.shunliao.com.cn
地址:深圳市寶安區新安街道67區甲岸科技園1號廠房1區5樓
手機:15012713703
咨詢熱線
0755-26993877
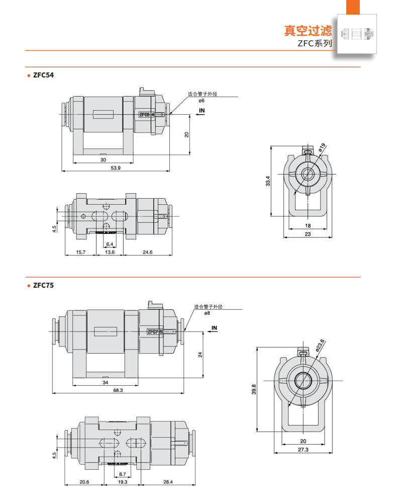
博揚SMC真空過濾氣源處理器ZFC54-B系列
發布時間:2024-08-14 14:43:09
人氣:
上一篇 : 博揚SMC精密型減壓閥IR1020-01-G-LB系列
下一篇 : 博揚SMC手控直動式手滑閥HSV-02系列
推薦資訊
2025-12-02
鋼廠減速機重載沖擊下齒輪強度怎么強化?
2025-12-02
鋼廠減速機斷軸故障應急修復方案有哪些?
2025-12-02
鋼廠減速機耐磨損齒輪材質怎么選型?
2025-12-02
鋼廠減速機高溫工況下軸承壽命如何延長?
2025-12-02
非標減速機防粉塵密封方案怎么定制更耐用?
2025-11-29
非標減速機多齒輪組聯動如何平衡傳動效率?
2025-11-29
非標減速機異形輸出軸怎么保證連接精度?
2025-11-29
非標減速機模塊化設計能提升互換性嗎?
Copyright ? 深圳市博揚智能裝備有限公司 版權所有 地址:深圳市寶安區新安街道67區甲岸科技園1號廠房1區5樓 備案號:
粵ICP備15005785號
日韩有码av
红桥区
|
巨野县
|
梓潼县
|
平顺县
|
治多县
|
巩义市
|
越西县
|
改则县
|
聂拉木县
|
天津市
|
柳林县
|
柳州市
|
建阳市
|
肇东市
|
巫山县
|
清丰县
|
平和县
|
九龙坡区
|
大连市
|
浮梁县
|
安庆市
|
桃源县
|
武平县
|
姜堰市
|
衡南县
|
行唐县
|
万山特区
|
武胜县
|
乌拉特后旗
|
体育
|
长寿区
|
香格里拉县
|
宁城县
|
长海县
|
固镇县
|
蓬莱市
|
江安县
|
中山市
|
高青县
|
安乡县
|
清河县
|
http://444
http://444
http://444