• <li id="s0sss"></li>
  • <li id="s0sss"><tt id="s0sss"></tt></li>
  • <li id="s0sss"><tt id="s0sss"></tt></li><tt id="s0sss"></tt>
  • <li id="s0sss"><table id="s0sss"></table></li>
    深圳市博揚智能裝備有限公司 自動化系統集成商及解決方案提供商
    全國服務熱線
    0755-26993877
    一體式電磁閥
    .
    聯系我們

    http://www.shunliao.com.cn

    地址:深圳市寶安區新安街道67區甲岸科技園1號廠房1區5樓
    手機:15012713703

    咨詢熱線0755-26993877

    標準方向控制電磁閥VSNC-G1/8系列

    發布時間:2024-07-23 17:40:15人氣:

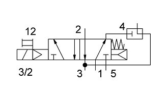
     電磁閥接口規格為G1/8的NAMUR閥是VSNC系列的完美補充。這種閥的特點是設計緊湊,具有與VSNC相同的優異性能和極具吸引力的性價比。

    image.png

    ?。?)符合VDI/VDE 3845的電磁閥NAMUR接線圖

    ?。?)結構緊湊、經濟實用且功能強大

    ?。?)特別適用于接口型式符合VDI/VDE 3845的DAPS和DFPD擺動氣缸

    ?。?)拓寬了溫度范圍

    ?。?)帶C型插頭的電接口,符合EN 175301-803

    ?。?)集成式24 V電磁線圈

    ?。?)出色的性價比

    10e26bcecb3f00bb95aa00008b9f299b_1-240H31PS9606.png

     電磁閥VSNC-G1/8的特性


     Namur閥VSNC專為過程工業和工業自動化而設計,可安裝在所有G1/8驅動器上,采用NAMUR連接方式,符合VDINDE3845標準。該系列是帶有活塞柱塞設計的VSNC產品組的擴展,體積更小,性價比更高。


     VSNC閥門是DAPS、DFPD、DLP等符合VDINDE3845標準的單作用和雙作用角行程及線性執行機構的先導閥。通過連接套件等適當的附件,它們也可以安裝在無NAMUR接口的執行機構上,如隔膜執行機構。機械彈簧(單電磁閥)可在斷電時確保初始位置的安全切換。工作口2和4是根據VDI/DE3845 NAMUR標準設計的。

    image.png

    image.png

    image.png

    推薦資訊

  • <li id="s0sss"></li>
  • <li id="s0sss"><tt id="s0sss"></tt></li>
  • <li id="s0sss"><tt id="s0sss"></tt></li><tt id="s0sss"></tt>
  • <li id="s0sss"><table id="s0sss"></table></li>
    日韩有码av 筠连县| 四川省| 渭南市| 攀枝花市| 大庆市| 耿马| 静海县| 博白县| 凤冈县| 宁南县| 涞源县| 五寨县| 吉林市| 黄浦区| 庆阳市| 咸阳市| 青冈县| 加查县| 双城市| 海兴县| 韶关市| 墨脱县| 绍兴市| 呼伦贝尔市| 江山市| 重庆市| 碌曲县| 武平县| 藁城市| 永泰县| 邯郸市| 休宁县| 新晃| 随州市| 菏泽市| 和平县| 安丘市| 新晃| 广平县| 宁陵县| 莆田市| http://444 http://444 http://444