• <li id="s0sss"></li>
  • <li id="s0sss"><tt id="s0sss"></tt></li>
  • <li id="s0sss"><tt id="s0sss"></tt></li><tt id="s0sss"></tt>
  • <li id="s0sss"><table id="s0sss"></table></li>
    深圳市博揚智能裝備有限公司 自動化系統集成商及解決方案提供商
    全國服務熱線
    0755-26993877
    倍加福
    您的位置: 首頁 > 產品中心 > 倍加福
    .
    聯系我們

    http://www.shunliao.com.cn

    地址:深圳市寶安區新安街道67區甲岸科技園1號廠房1區5樓
    手機:15012713703

    咨詢熱線0755-26993877

    槽型光電傳感器:GL5-T/28A/115系列

    發布時間:2023-05-23 09:34:11人氣:

    槽型光電傳感器型號:GL5-T/28A/115

    ·光電槽型傳感器

    ·帶固定電纜


    槽型光電傳感器GL5-T/28A/115描述


    槽型光電傳感器GL5 小型光電槽型傳感器體積小巧,光學性能出眾。滿足半導體工業微型物體的檢測需求。在同類產品中具有 DC 5 - 24 V 的寬電壓范圍和 高達 5 kHz 的最快開關頻率。內部集成的聚焦孔使傳感器能檢測尺寸為0.8 x 1.8 mm的微型物體。傳感器提供 NPN 或者 PNP 輸出。多樣且優化的外殼使傳感器最大程度地適用于擁擠環境中。


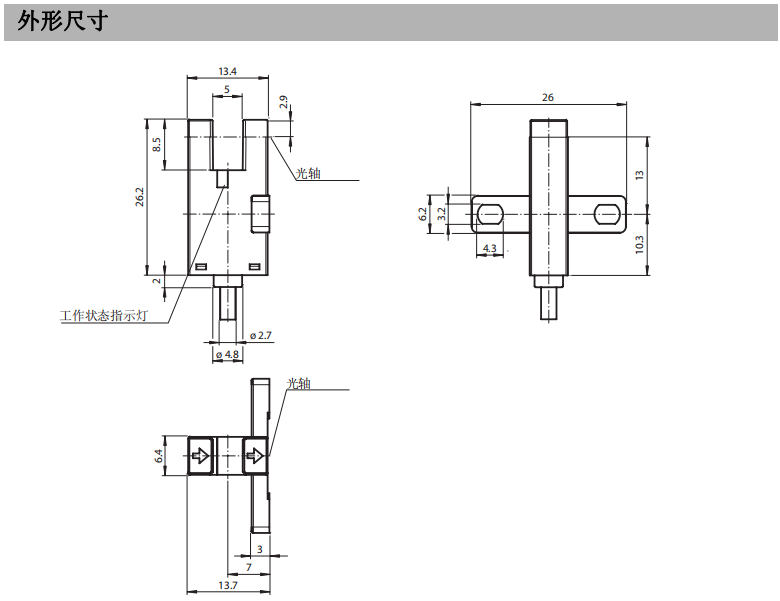
    槽型光電傳感器GL5-T/28A/115外形尺寸

    槽型光電傳感器外形尺寸.png

    槽型光電傳感器GL5-T/28A/115連接方式

    連接方式.png

    一般說明功能參數


    光源類型:連續式紅外光, 940 nm

    光源特性:紅色激光

    認證:CE, cULus Listed 57M3 (Only in association with UL Class 2 power supply; Type 1 enclosure)

    障礙物尺寸:0,8 x 1,8 mm

    槽寬:5 mm

    極限環境光強:1000 Lux


    槽型光電傳感器GL5-T/28A/115輸出頻率


    開關類型:亮 / 暗通可調

    信號輸出:2 npn 互補型輸出,過電壓保護

    負載電壓:最大 30 V DC

    負載電流:最大 50 mA

    電壓降:Ud 10 mA 時最大 0.2 V, 50mA 時最大 0.6 V

    開關頻率:f 最大 5 kHz

    響應時間:光束沒遮擋時 40 μs

    光束有被遮擋時:80 us

    重復精度:0.03mm


    槽型光電傳感器GL5-T/28A/115應用領域


    GL5 適用于半導體和電子工業應用環境


    典型應用包括 :

    1. 導線檢測 

    2. 凸輪位置檢測 

    3. 移動物體的極限位置檢測 

    4. 膠片檢測

    推薦資訊

  • <li id="s0sss"></li>
  • <li id="s0sss"><tt id="s0sss"></tt></li>
  • <li id="s0sss"><tt id="s0sss"></tt></li><tt id="s0sss"></tt>
  • <li id="s0sss"><table id="s0sss"></table></li>
    日韩有码av 昌江| 五台县| 兰考县| 祁门县| 温泉县| 临泽县| 汝阳县| 枣强县| 新津县| 灵丘县| 定南县| 沧州市| 鲁山县| 连云港市| 松潘县| 凉城县| 城固县| 海丰县| 曲沃县| 寻乌县| 济宁市| 建湖县| 十堰市| 奉贤区| 柯坪县| 望都县| 黄石市| 平阴县| 淳化县| 沙湾县| 磐安县| 繁峙县| 湾仔区| 南陵县| 探索| 任丘市| 青神县| 龙山县| 都兰县| 海淀区| 嘉定区| http://444 http://444 http://444