• <li id="s0sss"></li>
  • <li id="s0sss"><tt id="s0sss"></tt></li>
  • <li id="s0sss"><tt id="s0sss"></tt></li><tt id="s0sss"></tt>
  • <li id="s0sss"><table id="s0sss"></table></li>
    深圳市博揚智能裝備有限公司 自動化系統集成商及解決方案提供商
    全國服務熱線
    0755-26993877
    倍加福
    您的位置: 首頁 > 產品中心 > 倍加福
    .
    聯系我們

    http://www.shunliao.com.cn

    地址:深圳市寶安區新安街道67區甲岸科技園1號廠房1區5樓
    手機:15012713703

    咨詢熱線0755-26993877

    槽型光電傳感器:GL5-L/28a/115系列

    發布時間:2023-05-23 09:29:16人氣:

    5fdec3521db321f2926c2f61cc791552_6373465732784974631114490.jpg

    槽型光電傳感器型號:GL5-L/28a/115

    ·光電槽型傳感器

    ·帶固定電纜


    槽型光電傳感器GL5-L/28a/115描述:


    GL5 小型光電槽型傳感器體積小巧,光學性能出眾。滿足半導體工業微型物體的檢測需求。在同類產品中具有 DC 5 - 24 V 的寬電壓范圍和 高達 5 kHz 的最快開關頻率。內部集成的聚焦孔使傳感器能檢測尺寸為0.8 x 1.8 mm的微型物體。傳感器提供 NPN 或者 PNP 輸出。多樣且優化的外殼使傳感器最大程度地適用于擁擠環境中。


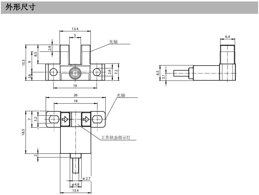
    槽型光電傳感器GL5-L/28a/115外形尺寸:

    槽型光電傳感器外形尺寸.jpg

    一般說明功能參數:


    ·光源類型:連續式紅外光, 940 nm

    ·光源特性:紅色激光

    ·認證:CE, cULus Listed 57M3 (Only in association with UL Class 2 power supply; Type 1 enclosure)

    ·障礙物尺寸:0,8 x 1,8 mm

    ·槽寬:5 mm

    ·極限環境光強:1000 Lux


    槽型光電傳感器GL5-L/28a/115響應頻率:

    槽型光電傳感器響應頻率.jpg

    槽型光電傳感器GL5-L/28a/115應用領域:


    應用

    GL5 適用于半導體和電子工業應用環境


    典型應用包括 :

    1. 導線檢測 

    2. 凸輪位置檢測 

    3. 移動物體的極限位置檢測 

    4. 膠片檢測

    推薦資訊

  • <li id="s0sss"></li>
  • <li id="s0sss"><tt id="s0sss"></tt></li>
  • <li id="s0sss"><tt id="s0sss"></tt></li><tt id="s0sss"></tt>
  • <li id="s0sss"><table id="s0sss"></table></li>
    日韩有码av 舒城县| 九江县| 孝昌县| 祥云县| 东阿县| 青铜峡市| 扶风县| 东台市| 潮安县| 安康市| 合山市| 拜泉县| 碌曲县| 河东区| 江陵县| 林周县| 应城市| 镇原县| 沙雅县| 韶关市| 区。| 西林县| 屯门区| 永德县| 台东县| 崇州市| 米泉市| 法库县| 前郭尔| 隆安县| 桃江县| 会同县| 揭东县| 定日县| 广河县| 淄博市| 同心县| 新晃| 赞皇县| 隆尧县| 郁南县| http://444 http://444 http://444