• <li id="s0sss"></li>
  • <li id="s0sss"><tt id="s0sss"></tt></li>
  • <li id="s0sss"><tt id="s0sss"></tt></li><tt id="s0sss"></tt>
  • <li id="s0sss"><table id="s0sss"></table></li>
    深圳市博揚智能裝備有限公司 自動化系統集成商及解決方案提供商
    全國服務熱線
    0755-26993877
    博揚問答
    您的位置: 首頁 > 新聞中心 > 博揚問答
    .
    聯系我們

    http://www.shunliao.com.cn

    地址:深圳市寶安區新安街道67區甲岸科技園1號廠房1區5樓
    手機:15012713703

    咨詢熱線0755-26993877

    PWM變換器工作原理圖控制方式

    發布時間:2023-05-11 18:02:00人氣:

      可逆PWM變換器工作原理


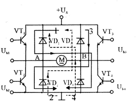
      可逆PWM變換器的主電路有多種結構形式,而H型PWM變換器在直流脈寬調速系統中最為常用,它是由4個三極電力晶體管VT,VT2,VT.和VT,以及4個續流=極管VD,,VD2,VD3和VD,構成的橋式電路。在橋式電路的一個對角線上接電源Us,在另一一對角線上接直流電動機M的電樞,而U,Ub2,!B8和U分別為4個三極管的基極驅動電壓,由于基極驅動電壓的極性和大小不同,在H型變換器中又分類出三類控制方式,分別為雙極式控制、單極式控制和受限單極式控制。

    PWM變換器原理圖

      在不同的控制方式下,調速系統的電壓、電流各不相同,使電機的運行特性和調速系統的調速性能也不同。而在直流調速系統中對電機運行特性影響最大的是電流。電流的大小、方向、連續性直接影響電機的運行性能,所以應對可逆PWM變換器中的電流進行分析,從而掌握電機的運行特性,以便采用合適的控制方式來確保調速系統的調速性能。


      可逆PWM變換器原理


      可逆PWM變換器是利用驅動電壓正、負脈沖的寬窄對電動機的正反轉的控制。當正脈沖較寬時,ton>T/2,則輸出電壓的平均值為正,電動機正轉,反之則反轉;如果正、負脈沖相等,ton=T/2,平均輸出電壓為零,則電動機停止。晶閘管電動機系統中,抑制電流脈動可采取的措施是:增加整流電路相數、采用多重化技術、設置平波電抗器2、位置隨動系統一般由五個部分組成,這五個部分分別是:位置傳感器、電壓比較放大器。電力電子變換器、伺服電機和減速器與負載。


    推薦資訊

  • <li id="s0sss"></li>
  • <li id="s0sss"><tt id="s0sss"></tt></li>
  • <li id="s0sss"><tt id="s0sss"></tt></li><tt id="s0sss"></tt>
  • <li id="s0sss"><table id="s0sss"></table></li>
    日韩有码av 秦皇岛市| 江都市| 武平县| 海原县| 定西市| 牙克石市| 镇坪县| 新化县| 宣汉县| 东莞市| 林西县| 溧阳市| 龙南县| 和顺县| 上蔡县| 福建省| 岐山县| 郓城县| 平罗县| 綦江县| 句容市| 南京市| 常德市| 定西市| 桐梓县| 襄垣县| 太谷县| 波密县| 伊金霍洛旗| 精河县| 鄂伦春自治旗| 江源县| 安义县| 台南市| 斗六市| 双城市| 揭西县| 中牟县| 高阳县| 西乌| 治多县| http://444 http://444 http://444