槽型光電傳感器GL5-L/43a/115(槽型傳感器和槽型光柵傳感器)
槽型光電傳感器GL5-L/43a/115的工作原理是把一個光發射器和一個接收器面對面地裝在一個槽的兩側的是槽形光電。發光器能發出紅外光或可見光,在無阻情況下光接收器能收到光。但當被檢測物體從槽中通過時,光被遮擋,光電開關便動作。輸出一個開關控制信號,切斷或接通負載電流,從而完成一次控制動作。槽形開關的檢測距離因為受整體結構的限制一般只有幾厘米。
槽型光電傳感器GL5-L/43a/115產品描述:
GL5小型光電槽型傳感器體積小巧,光學性能出眾。滿足半導體工業微型物體的檢測需求。在同類產品中具有DC 5-24 V的寬電壓范圍和高達5 kHz的最快開關頻率。內部集成的聚焦孔使傳感器能檢測尺寸為0.8 x 1.8 mm的微型物體。傳感器提供NPN或者PNP輸出。多樣且優化的外殼使傳感器最大程度地適用于擁擠環境中。
槽型光電傳感器GL5-L/43a/115產品特點:
?微型設計
?適宜小物體檢測
?開關頻率高
?安裝快速簡單
?清晰的可視LED功能顯示
槽型光電傳感器GL5-L/43a/115產品相關型號:
GL5-L/43a/115
GL5-F/43a/115
GL5-R/43a/115
GL5-T/43a/115
GL5-U/43a/115
GL5-Y/43a/115
GL5-J/43a/115
GL5-R/43a/115-5M
GL5-T/43a/115e
GL5-L/43a/115-5M
GL5-T/43a/115a
GL5-L/43a/115a
GL5-Y/43a/115-5M
槽型光電傳感器GL5-L/43a/115產品規格參數:
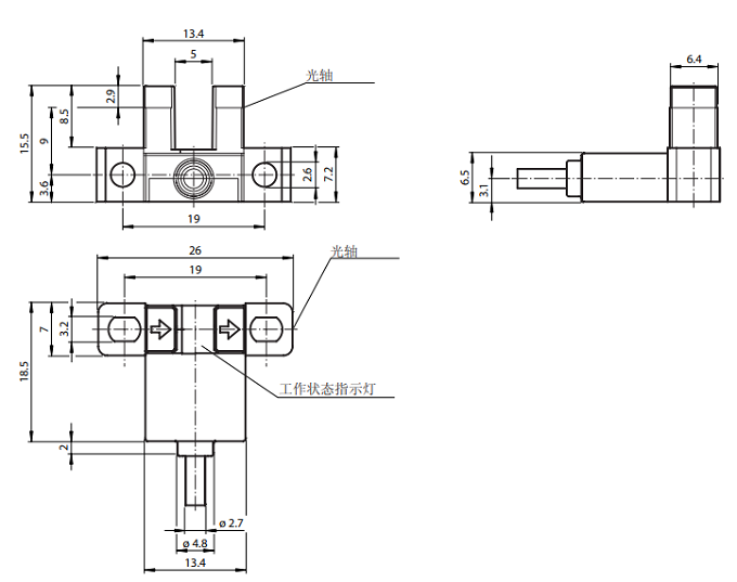
槽型光電傳感器GL5-L/43a/115外形尺寸:



