• <li id="s0sss"></li>
  • <li id="s0sss"><tt id="s0sss"></tt></li>
  • <li id="s0sss"><tt id="s0sss"></tt></li><tt id="s0sss"></tt>
  • <li id="s0sss"><table id="s0sss"></table></li>
    深圳市博揚智能裝備有限公司 自動化系統集成商及解決方案提供商
    全國服務熱線
    0755-26993877
    倍加福
    您的位置: 首頁 > 產品中心 > 倍加福
    .
    聯系我們

    http://www.shunliao.com.cn

    地址:深圳市寶安區新安街道67區甲岸科技園1號廠房1區5樓
    手機:15012713703

    咨詢熱線0755-26993877

    槽型光電開關:GL5-U/43a/115系列

    發布時間:2023-05-23 16:48:36人氣:

      槽型光電傳感器是把一個光發射器和一個接收器面對面地裝在一個槽的兩側的是槽形光電。發光器能發出紅外光或可見光,在無阻情況下光接收器能收到光。但當被檢測物體從槽中通過時,光被遮擋,光電開關便動作。輸出一個開關控制信號,切斷或接通負載電流,從而完成一次控制動作。槽形開關的檢測距離因為受整體結構的限制一般只有幾厘米。


      GL5-U/43A/115描述:


      GL5小型光電槽型開關體積小巧,光學性能出眾。滿足半導體工業微型物體的檢測需求。在同類產品中具有DC 5-24 V的寬電壓范圍和高達5 kHz的最快開關頻率。內部集成的聚焦孔使光電開關能檢測尺寸為0.8 x 1.8 mm的微型物體。光電開關提供NPN或者PNP輸出。多樣且優化的外殼使光電開關最大程度地適用于擁擠環境中。


      GL5-U/43A/115相關型號:


      GL5-F/43a/115,GL5-L/43a/115,GL5-R/43a/115,GL5-T/43a/115,GL5-U/43a/115,GL5-Y/43a/115,GL5-J/43a/115,GL5-T/43a/115e,GL5-L/43a/115a,GL5-R/43a/115-5M,GL5-L/43a/115-5M,GL5-Y/43a/115-5M


      GL5-U/43A/115應用:


      微型槽型光電傳感器,適用于檢測小尺寸零件,U形設計,叉寬5 mm,紅外光,PNP輸出,固定纜線


      1.導線檢測

      2.凸輪位置檢測

      3.移動物體的極限位置檢測

      4.膠片檢測


      GL5-U/43A/115特性:


      ?微型設計

      ?適宜小物體檢測

      ?開關頻率高

      ?安裝快速簡單

      ?清晰的可視LED功能顯示


      GL5-U/43A/115結構參數:


    槽型光電傳感器.png

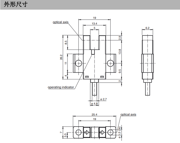
      GL5-U/43A/115外形尺寸:


    外形尺寸圖.png

    推薦資訊

  • <li id="s0sss"></li>
  • <li id="s0sss"><tt id="s0sss"></tt></li>
  • <li id="s0sss"><tt id="s0sss"></tt></li><tt id="s0sss"></tt>
  • <li id="s0sss"><table id="s0sss"></table></li>
    日韩有码av 高平市| 靖西县| 衡山县| 桦川县| 类乌齐县| 无锡市| 两当县| 军事| 南丰县| 玛沁县| 樟树市| 永登县| 宜阳县| 台湾省| 大丰市| 南雄市| 玉林市| 武山县| 固安县| 大方县| 司法| 通辽市| 绩溪县| 民权县| 易门县| 固原市| 安顺市| 深州市| 鄂州市| 五家渠市| 确山县| 墨竹工卡县| 吉林省| 射洪县| 商水县| 柯坪县| 芒康县| 含山县| 米林县| 丽江市| 安化县| http://444 http://444 http://444