• <li id="s0sss"></li>
  • <li id="s0sss"><tt id="s0sss"></tt></li>
  • <li id="s0sss"><tt id="s0sss"></tt></li><tt id="s0sss"></tt>
  • <li id="s0sss"><table id="s0sss"></table></li>
    深圳市博揚智能裝備有限公司 自動化系統集成商及解決方案提供商
    全國服務熱線
    0755-26993877
    行業動態
    您的位置: 首頁 > 新聞中心 > 行業動態
    .
    聯系我們

    http://www.shunliao.com.cn

    地址:深圳市寶安區新安街道67區甲岸科技園1號廠房1區5樓
    手機:15012713703

    咨詢熱線0755-26993877

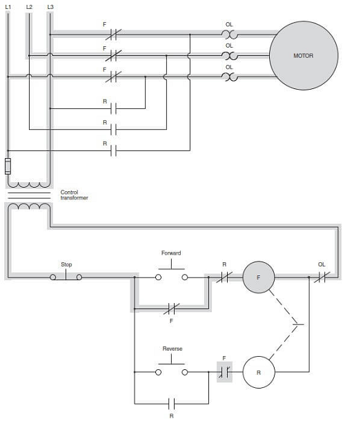
    正反轉電機典型的線路控制原理圖,電機正反轉控制線接線方法

    發布時間:2023-05-11 17:49:30人氣:

    20220627112239.png

     三相電機可以通過改變任意兩個定子引線來反轉。正反轉控制還采用互鎖來防止正向和反向線圈同時通電。


     典型的正反向控制如圖所示。

    20220627112239.png

     從F和R線圈畫成單線的虛線表示機械聯鎖。機械聯鎖用于防止正向和反向接觸器同時通電。當一個接觸器通電時,即使線圈應該通電,一種機制也會阻止另一個接觸器閉合其觸點。電氣聯鎖是通過使用與F和R線圈串聯的兩個常閉輔助觸點來實現的。


     注意常閉F觸點與R接觸器線圈串聯,常閉R觸點與F接觸器線圈串聯。當按下前進按鈕時,通過常閉R觸點到F線圈完成一個電路。當F線圈通電時,所有F觸點改變位置。

    20220627112239.png

     三個F負載觸點閉合并將電機連接到電源線,使電機正向運行。當F按鈕松開時,與前進按鈕并聯的常開F輔助觸點閉合以維持電路。與R線圈串聯的常閉F觸點打開。如果要按下反向按鈕,這將防止R線圈通電。


     在電機可以反向運行之前,必須按下停止按鈕以斷開與F線圈的電路。當F線圈斷電時,所有F觸點返回其正常位置。當按下反向按鈕時,通過現在閉合的F輔助觸點到R線圈完成一個電路。當R線圈通電時,所有R觸點都會改變位置。三個R負載觸點閉合并將電機連接到電源線。請注意,連接到電機的L1和L3的連接已顛倒。這會導致電機反向運行。另請注意,與F線圈串聯的常閉R輔助觸點現在打開,如果應按下前進按鈕,則防止與F線圈建立電路。

    推薦資訊

  • <li id="s0sss"></li>
  • <li id="s0sss"><tt id="s0sss"></tt></li>
  • <li id="s0sss"><tt id="s0sss"></tt></li><tt id="s0sss"></tt>
  • <li id="s0sss"><table id="s0sss"></table></li>
    日韩有码av 芦溪县| 安溪县| 宁强县| 双江| 杭锦旗| 阿克陶县| 辛集市| 定襄县| 木里| 吉木萨尔县| 登封市| 龙岩市| 保亭| 浪卡子县| 深泽县| 合江县| 花莲市| 甘谷县| 潞西市| 深泽县| 昌宁县| 辽中县| 英超| 水城县| 个旧市| 平顺县| 东乡| 启东市| 桐庐县| 亳州市| 潜山县| 龙川县| 南岸区| 高陵县| 东城区| 内江市| 麟游县| 拜城县| 苍梧县| 西丰县| 珲春市| http://444 http://444 http://444