• <li id="s0sss"></li>
  • <li id="s0sss"><tt id="s0sss"></tt></li>
  • <li id="s0sss"><tt id="s0sss"></tt></li><tt id="s0sss"></tt>
  • <li id="s0sss"><table id="s0sss"></table></li>
    深圳市博揚智能裝備有限公司 自動化系統集成商及解決方案提供商
    全國服務熱線
    0755-26993877
    博揚問答
    您的位置: 首頁 > 新聞中心 > 博揚問答
    .
    聯系我們

    http://www.shunliao.com.cn

    地址:深圳市寶安區新安街道67區甲岸科技園1號廠房1區5樓
    手機:15012713703

    咨詢熱線0755-26993877

    傳感器繼電器工作繞組和控制繞組的工作方式流程

    發布時間:2023-05-11 18:05:52人氣:

     傳感器繼電器許多類型的機械往往非常復雜,因為繼電器現在必須執行更復雜的功能,這使得它們制造成本高且難以測試和維護。該轉換器控制一個簡單的從繼電器,減少了復雜的機電設備,這些設備以基于通量和電流相互作用的完全可預測的方式運行。

    20220905154113.png

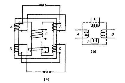
     傳感器主要包括一個磁芯,磁芯上有兩組繞組,通常稱為工作繞組和控制繞組。每組可能只有一個繞組,但如果一組中有多個繞組,則它們都是磁性連接的。另一方面,不同組的繞組沒有磁連接。工作繞組采用交流供電,控制繞組采用直流供電。傳感器對工作繞組中流動的電流呈現可變阻抗,其大小隨控制繞組中的電流而變化。


     如果用作幅度比較器,其靈敏度受其輸出電路中從屬繼電器的靈敏度限制;如果用作相位比較器以獲得更高的靈敏度,則取決于外部交流電。有時很難安排用品。

    20220905154113.png

     其中抑制電壓通過阻抗ZR和整流器施加到控制繞組。由此獲得的抑制電流通過整流器對控制繞組的短路效應以及由于短路引起的耦合繞組進行整流和部分平滑。這樣做的效果是驅動繞組工作繞組的兩個分支進入飽和狀態。


     現在,工作繞組以這樣一種方式纏繞,即工作安培匝數位于一個分支中,而不是限制安培匝數,并在另一個分支中加強它們。忽略磁導率的有限性,假設抑制匝數和工作匝數相等,當工作電流的峰值超過抑制幅值時,工作電流將驅動出飽和,工作電流為與被抑制的安匝電流的分支相反。發生這種情況時,輸出繞組中感應出電壓,繼電器通電。在下一個半周期,在另一條肢體上重復相同的操作。


     在上述條件存在之前,來自繼電器的電流非常低。然后它突然增加并且對于小的工作電流值變得非常大。出于這個原因,重型電話類型繼電器使用較大的設置。隨著信號被平滑和整流,由于平滑電路的時間常數引入的延遲,它運行得更慢。


     傳感器繼電器在機械上非常簡單,雖然其中一些在電氣上可能看起來有點復雜,但這不會對其可靠性產生不利影響,因為它們的操作在很大程度上依賴于特性易于預先確定和檢查的靜態元件。因此,它們比機電繼電器更容易構建和測試,并且它們的維護幾乎可以忽略不計。

    推薦資訊

  • <li id="s0sss"></li>
  • <li id="s0sss"><tt id="s0sss"></tt></li>
  • <li id="s0sss"><tt id="s0sss"></tt></li><tt id="s0sss"></tt>
  • <li id="s0sss"><table id="s0sss"></table></li>
    日韩有码av 新竹县| 南漳县| 济宁市| 天峨县| 鄂伦春自治旗| 蒙城县| 定安县| 丰台区| 宁安市| 武陟县| 万州区| 刚察县| 乌拉特中旗| 垣曲县| 双流县| 乌拉特前旗| 自治县| 静乐县| 阿拉善左旗| 天祝| 五指山市| 万年县| 汝阳县| 平顶山市| 莱西市| 多伦县| 云阳县| 丘北县| 钟山县| 金沙县| 格尔木市| 东安县| 乃东县| 凤山县| 固安县| 酉阳| 望城县| 灌南县| 梓潼县| 焦作市| 楚雄市| http://444 http://444 http://444