• <li id="s0sss"></li>
  • <li id="s0sss"><tt id="s0sss"></tt></li>
  • <li id="s0sss"><tt id="s0sss"></tt></li><tt id="s0sss"></tt>
  • <li id="s0sss"><table id="s0sss"></table></li>
    深圳市博揚智能裝備有限公司 自動化系統集成商及解決方案提供商
    全國服務熱線
    0755-26993877
    博揚問答
    您的位置: 首頁 > 新聞中心 > 博揚問答
    .
    聯系我們

    http://www.shunliao.com.cn

    地址:深圳市寶安區新安街道67區甲岸科技園1號廠房1區5樓
    手機:15012713703

    咨詢熱線0755-26993877

    安全電路中的安全繼電器作用是什么,安全繼電器的電路接線圖?

    發布時間:2023-05-11 18:05:43人氣:

     繼電器不限于在電路中的單個點將單個輸入轉換成單個輸出。在其他應用中,一個繼電器可以激活多個電路,允許一個輸入啟動許多其他效果。類似地,繼電器可以相互結合使用,以執行布爾邏輯功能。雖然可以使用其他組件來制定它們,但用繼電器來實現它們可能更劃算。


     更重要的是,特定的繼電器可以執行比其他電子元件更高級的功能。僅舉一個例子,延時繼電器允許系統只運行一段設定的時間或者只在一段設定的時間后啟動。這為構建電子系統帶來了更復雜的可能性。


     安全繼電器具有強制導向觸點,以防止觸點焊接過程中常開觸點和常閉觸點同時工作,從而可以檢測安全繼電器本身的觸點焊接。這可以用來建立一個安全電路。通用繼電器沒有強制導向觸點。


     然而,必須非常小心,因為根據電路的構造,即使使用了安全繼電器,一些電路也可能是危險的。比如下圖的電路,因為電源不能切斷,所以很危險。

    20220802182627.png

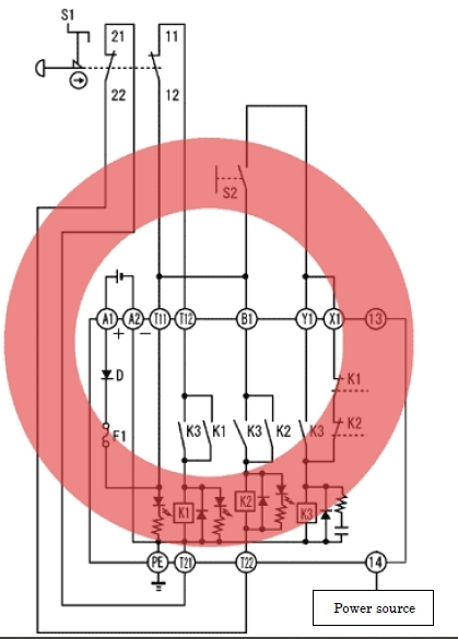
     建立冗余和自監控功能,利用強制導向觸點提供的焊接檢測功能進入電路,如圖所示。

    20220802182647.png

    推薦資訊

  • <li id="s0sss"></li>
  • <li id="s0sss"><tt id="s0sss"></tt></li>
  • <li id="s0sss"><tt id="s0sss"></tt></li><tt id="s0sss"></tt>
  • <li id="s0sss"><table id="s0sss"></table></li>
    日韩有码av 宝应县| 灵川县| 咸阳市| 海淀区| 静乐县| 额济纳旗| 平潭县| 霍林郭勒市| 盈江县| 娄底市| 东莞市| 汉沽区| 屯昌县| 台中县| 台南市| 全州县| 嫩江县| 沈阳市| 仁寿县| 呼图壁县| 房山区| 夏津县| 襄樊市| 铁力市| 宜章县| 玉环县| 姜堰市| 黔西县| 沁源县| 临泽县| 安化县| 莫力| 岐山县| 朔州市| 拉孜县| 高尔夫| 华蓥市| 柞水县| 芒康县| 平阳县| 苍梧县| http://444 http://444 http://444