• <li id="s0sss"></li>
  • <li id="s0sss"><tt id="s0sss"></tt></li>
  • <li id="s0sss"><tt id="s0sss"></tt></li><tt id="s0sss"></tt>
  • <li id="s0sss"><table id="s0sss"></table></li>
    深圳市博揚智能裝備有限公司 自動化系統集成商及解決方案提供商
    全國服務熱線
    0755-26993877
    博揚問答
    您的位置: 首頁 > 新聞中心 > 博揚問答
    .
    聯系我們

    http://www.shunliao.com.cn

    地址:深圳市寶安區新安街道67區甲岸科技園1號廠房1區5樓
    手機:15012713703

    咨詢熱線0755-26993877

    如何使用雙作用氣缸連接2位5通電磁閥?

    發布時間:2023-05-11 18:04:14人氣:

      二位五通電磁閥通常與雙作用氣動執行機構一起使用。閥體有五個氣口,其中一個接氣源,兩個接執行機構雙作用氣缸,兩個接排氣口。雙作用氣動執行器是指氣缸活塞的兩側都需要氣壓來推動活塞。當活塞一側有壓力而另一側沒有壓力時,活塞會向壓力低的一側移動,氣缸就會產生一個方向的推力。當有氣壓的活塞一側的壓力消失時,沒有壓力的另一側的壓力加在氣源壓力上,活塞向后移動,氣缸產生回推力。通過反復切換活塞兩端的氣壓,氣缸產生往復運動。雙作用氣缸是不正常的,所以在沒有壓縮空氣的情況下它的位置是不確定的。


      普通的電磁閥和氣缸怎么連接?


      一種是(閥+線圈)的形式的。在這種閥上可以找到3根針。使用一個和這3根針對應的線包。給線包接上線。然后把線包連接到這3根針上即可。另一種是(閥)。這種閥上有一個粗一些的稈子。使用一個和這個稈子對應的線圈。把線圈插到這個稈子上。再固定好即可。有的線圈是自帶導線的。還有一些是自帶線包的。如果是線包的。那線包和第一種閥的使用方式一樣。需要你另配電線。


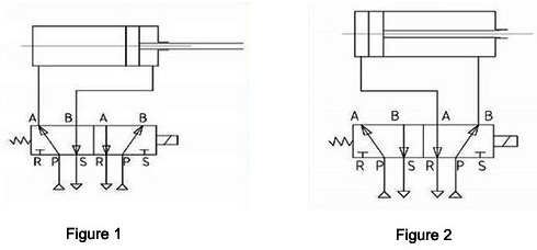
      為雙作用氣缸2位5通單電磁閥:


      1.初始狀態


      的電磁閥被斷開與功率和端口P和的電磁閥相連。氣源通過A口進入氣動活塞驅動部分的左腔,活塞停在右側。B口與S口相連,與B口相連的氣動活塞驅動部分的右腔為排氣狀態。參見下面的圖1。


      2.工作狀態


      電磁閥接通電源。電磁閥A口和B口相連。氣源通過B口進入雙作用氣動活塞驅動部分的右腔,活塞向左側移動。端口A和端口R相連。與R口相連的氣動活塞驅動部分左腔為排氣狀態。參見下面的圖2。


      3、斷電狀態


      電磁閥恢復到初始狀態。

    圖1.png

      雙作用氣缸用2位5通雙電磁閥:


      左側線圈通電時,電磁閥P口和A口相連。氣源通過A口進入雙作用氣動活塞驅動部分一側的腔室,使活塞移動到氣缸的另一側。端口B和端口S相連。與B口相連的氣動活塞驅動部分另一側的腔室處于排氣狀態。


      當右側線圈通電時,電磁閥P口和B口相連。氣源通過B口進入雙作用氣動活塞驅動部分一側的腔室,使活塞移動到氣缸的另一側。端口A和端口R相連。與A口相連的氣動活塞驅動部分一側的腔室處于排氣狀態。另一側斷電的線圈保持當前狀態不變。參見下圖。

    圖2.png

    推薦資訊

  • <li id="s0sss"></li>
  • <li id="s0sss"><tt id="s0sss"></tt></li>
  • <li id="s0sss"><tt id="s0sss"></tt></li><tt id="s0sss"></tt>
  • <li id="s0sss"><table id="s0sss"></table></li>
    日韩有码av 淮安市| 和田县| 张家口市| 将乐县| 彭阳县| 漯河市| 鱼台县| 塘沽区| 景洪市| 林周县| 仲巴县| 平顺县| 宁阳县| 龙海市| 长乐市| 灌云县| 瓦房店市| 柘荣县| 蛟河市| 保定市| 泾源县| 利津县| 双城市| 辉南县| 班戈县| 黑龙江省| 布拖县| 邹平县| 谢通门县| 巴林左旗| 八宿县| 阳曲县| 上高县| 井陉县| 彭泽县| 青龙| 安陆市| 灵丘县| 塔河县| 开封县| 乐昌市| http://444 http://444 http://444